CP稱重傳感器詳細信息請點擊:意大利dini argeo稱重傳感器獲取最新報價!!!
產品品牌:意大利dini argeo(LOADCELL)
產品類別:超薄輪輻式傳感器
產品系列:dini argeo純壓式CP系列稱重傳感器
產品型號:CP-250kg,CP-500kg,CP-1000kg,CP-2500kg,CP-5000kg,CP-7500kg,CP-10000kg,CP-15000kg,CP-30000kg,CP-50000kg,CP-100000kg.
產品描述:Stainless steel compression load cells suitable for weighing tanks and hoppers with the relevant accessories.
意大利dini argeo CP稱重傳感器特點
▲LOW PROFILE
▲不銹鋼結構
▲IP68防護
▲最大容量從250kg到10萬公斤
▲屏蔽導線
意大利dini argeo CP稱重傳感器技術指標
Full Scale Output滿量程輸出:2mV/ V +/ - 0.5%
Non-Repeatability非重復性:0.01%F.S.
Temperature effect on zero零點的溫度效應:0.02%/10℃
Temperature effect on full scale output在滿量程輸出溫度影響
Compensated Temperature Range補償溫度范圍:-10°C/+50°C
Operating Temperature Range工作溫度范圍:-20°C/+60°C
Creep error after 30 minutes;30分鐘后蠕變誤差:0.02%F.S.
Maximum tolerated excitation voltage最大耐受激勵電壓:10 VDC
Input Resistance輸入電阻:750±10歐姆
Output Resistance輸出電阻:700±5歐姆
Zero Balance零點平衡:+/-1%F.S.
Insulation Resistance絕緣電阻:>5000兆歐
Safe Overload安全過載:120%F.S.
4芯屏蔽電纜,直徑5毫米
|
Wiring Code
|
|
Colour
|
Function
|
|
--
|
SHIELD
|
|
GREEN
|
OUTPUT +
|
|
RED
|
INPUT +
|
|
WHITE
|
OUTPUT -
|
|
BLACK
|
INPUT -
|
意大利dini argeo CP稱重傳感器防爆ATEX VERSION說明
該CCATEX證書,使稱重傳感器適用于與保護方法危險場所使用根據ATEX II1G防爆保險業監督IIC T6(大-20~+40°C)TX(大-20~+65°C)而ATEX II1D防爆TA IIIC TX°C(大-20~+40°C)TX°C(大-20~+65°C)達IP65。
該證書包括手冊和ATEX CE合格聲明(在EN,DE,FR可用,以及IT)
重要提示:該證書是指單個稱重傳感器。對于具有多個負荷傳感器系統,它是必要的訂購一個證書對每個測力傳感器。
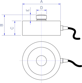
意大利dini argeo CP稱重傳感器安裝尺寸

|
Code
|
Dimensions in mm
|
|
A
|
B
|
C
|
D
|
E
|
|
CP250
|
82
|
44
|
32
|
22
|
12
|
|
CP500
|
82
|
44
|
32
|
22
|
12
|
|
CP1000
|
82
|
44
|
32
|
22
|
12
|
|
CP2500
|
82
|
44
|
32
|
22
|
12
|
|
CP5000
|
82
|
44
|
32
|
22
|
12
|
|
CP7500
|
82
|
44
|
32
|
22
|
12
|
|
CP10000
|
82
|
44
|
32
|
22
|
12
|
|
CP15000
|
100
|
48,5
|
35
|
28
|
13,5
|
|
CP30000
|
126
|
54
|
40
|
35
|
14
|
|
CP50000
|
165
|
80
|
60
|
60
|
20
|
|
CP100000
|
165
|
80
|
60
|
60
|
20
|
Models Available可選型號
|
Code
|
Max
(kg)
|
Masterpack
4 pcs
|
|
CP250
|
250
|
CP250C
|
|
CP500
|
500
|
CP500C
|
|
CP1000
|
1000
|
CP1000C
|
|
CP2500
|
2500
|
CP2500C
|
|
CP5000
|
5000
|
CP5000C
|
|
CP7500
|
7500
|
CP7500C
|
|
CP10000
|
10000
|
CP10000C
|
|
CP15000
|
15000
|
CP15000C
|
|
CP30000
|
30000
|
CP30000C
|
|
CP50000
|
50000
|
CP50000C
|
|
CP100000
|
100000
|
CP100000C
|
意大利dini argeo彎曲梁CP稱重傳感器的批準稱重,自動系統,用量。量程范圍250-100000kg,如果您對意大利dini argeo品牌CP傳感器還有其他疑問請來電咨詢!!!
|