|
|
|
|
|
|
|
|
|
|
| 郵 箱: |
lanse-china@foxmail.com |
|
|
|
|
|
 |
|
|
|
|
| 美國Dytran 2300V3壓力傳感器,2300V3壓力傳感器 |
| 發布人:稱重傳感器 發布時間:2013/8/9 16:45:45 點擊量:3667 |
 |
美國Dytran 2300V3壓力傳感器原理
美國Dytran半導體壓電阻抗擴散壓力傳感器是在薄片表面形成半導體變形壓力,通過外力(壓力)使薄片變形而產生壓電阻抗效果,從而使阻抗的變化轉換成電信號。靜電容量型,是將玻璃的固定極和硅的可動極相對而形成電容,將通過外力(壓力)使可動極變形所產生的靜電容量的變化轉換成電氣信號。
美國Dytran 2300V3壓力傳感器特點
壓電式壓力傳感器-IEPE型
靈敏度 10 mV/psi
量程 500 psi
重量 6 grams
最大壓力 10000 psi
沖擊 10000 g
固有頻率 500 kHz
溫度 -73~121 ℃
安裝方式 5/16-24螺紋
如果您對2300V3壓力傳感器的產品價格,圖片,貨期,參數,選型等詳細信息有需要,歡迎撥打【廣州蘭瑟電子】全國統一服務熱線:020-22157170。
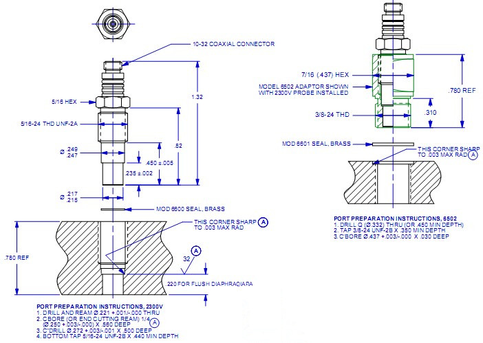
美國Dytran 2300V3壓力傳感器尺寸

|
|
|
|
|
|
|
|