產品名稱:SBF-11.25,SBF-11.25稱重傳感器,梅特勒托利多SBF-11.25傳感器
產品品牌:梅特勒托利多傳感器,托利多稱重傳感器
物流運費:賣家承擔運費
付款方式:網銀支付
瑞士梅特勒托利多/METTLER TOLEDO SBF-11.25傳感器主要特性:
規格 - SBF采用剪切梁原理的超低外形稱重傳感器
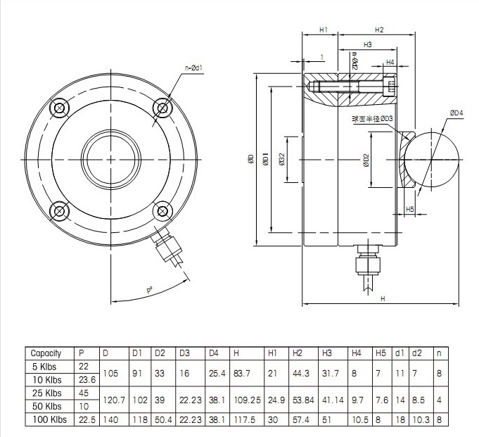
最大稱量值:5, 10, 25, 50, 100 klb
SBF-11.25裝備選項:壓式
應用:要求超低外形的特殊場合
自穩定結構
安裝高度低
輸出信號大
優質合金鋼,表面鍍鎳
SBF-11.25稱重傳感器防護等級IP67
采用剪切原理,具有卓越的測量性能
能夠消除剪切力的影響
梅特勒托利多SBF-11.25傳感器4 mV/V輸出
SBF-11.25傳感器采用球形負載導入裝置
適用于汽車衡,軌道衡測力機,軌道衡以及各種配料稱重控制
SBF尺寸圖:

METTLER TOLEDO SBF-11.25傳感器特點與應用:
SBF-11.25是一種根據剪切梁原理制成的環狀稱重傳感器。因此在低變形和高輸出的情況下可以提供卓越的測量性能。具有高強度設計結構,能夠抵抗大的剪切力。有以下量程分別為 5、10、25、50、100 klb 的 SBF 可供選用,廣泛應用汽車衡,軌道衡測力機,軌道衡以及各種配料稱重控制等區域。
瑞士Mettler toledo SBF系列所有型號:
SBF-2.25,梅特勒托利多SBF-2.25傳感器
SBF-4.5,梅特勒托利多SBF-4.5傳感器
SBF-11.25,梅特勒托利多SBF-11.25傳感器
SBF-22.5,梅特勒托利多SBF-22.5傳感器
SBF-45,梅特勒托利多SBF-45傳感器
【廣州蘭瑟電子】中國代理瑞士Mettler toledo SBF-11.25稱重傳感器廠家批發價格,為您提供SBF-11.25選型服務和稱重系統方案以及全方位測量技術支持;我司與瑞士托利多公司合作多年,提供完善的售前、售中、售后服務,保證您買得放心,用得安心。撥打全國統一服務熱線:020-22157170。
Mettler toledo傳感器:
SBC-0.5 SBC-1 SBC-2 SBC-3
SBH-0.25 SBH-0.5 SBH-1 SBH-2 SBH-3 SBH-5
SBS-250 SBS-500 SBS-1000 SBS-2000 SBS-5000
SBT-0.5 SBT-1 SBT-2 SBT-3 SBT-5
SB-0.5 SB-1 SB-2 SB-3 SB-5 SB-10 SB-15 SB-20 SB-30
SBF-2.25 SBF-4.5 SBF-11.25 SBF-22.5 SBF-45
專業提供瑞士梅特勒托利多SBF-11.25傳感器的詳細信息,包括Mettler toledo SBF-11.25稱重傳感器圖片,SBF-11.25傳感器價格,SBF-11.25稱重傳感器參數,托利多SBF-11.25傳感器貨期;登錄【廣州蘭瑟電子科技有限公司】官網搜SBF-11.25查找相關資料。
除SBF-11.25,SBF-11.25稱重傳感器其它品牌相關型號:
STC-100kg請點擊:STC-100kg稱重傳感器(美國Celtron)
615-100kg請點擊:615-100kg稱重傳感器(美國tedea)
Z6FD1/100kg請點擊:Z6FD1/100kg稱重傳感器(德國HBM)
MTB-100請點擊:MTB-100稱重傳感器(瑞士梅特勒托利多)
BCCU-20T請點擊:BCCU-20T稱重傳感器(韓國bongshin)
|