|
|
|
|
|
|
|
|
|
|
| 郵 箱: |
lanse-china@foxmail.com |
|
|
|
|
|
 |
|
|
|
|
| UBS傳感器,臺灣UTE UBS稱重傳感器 |
| 發布人:稱重傳感器 發布時間:2014/4/10 16:05:35 點擊量:2809 |
 |
品 牌:臺灣UTE稱重傳感器
產品結構:s型
產品類型:拉壓力雙向
英文標識:UTE(LOADCELL)
臺灣UTE系列傳感可滿足各種精度要求,UBS傳感器的秤量從1t到15t;合金鋼結構,密封緊密。可適用于復雜的工業環境(適用范圍:吊鉤秤、皮帶秤、拉力測試機、料斗秤、其它工業用秤)。
臺灣UTE UBS稱重傳感器特點
1.秤量:1t,2t,5t,10t,15t
2.高精度
3.全合金鋼結構
4.密封緊密
5.工廠質量保證
|
臺灣UTE UBS稱重傳感器規格
|
|
額定載荷
|
t
|
1/2/5/10/15
|
|
彈性體材質
|
|
Alloy steel
|
|
推薦激勵電壓
|
V
|
10
|
|
最大激勵電壓
|
V
|
15
|
|
輸出靈敏度
|
mV/V
|
2 ± 0.0025
|
|
零點范圍
|
%RO
|
± 0.030
|
|
蠕變( 20min )
|
%RO
|
± 0.03
|
|
重復性
|
%RO
|
± 0.02
|
|
輸入阻抗
|
Ω
|
390 ± 3
|
|
輸出阻抗
|
Ω
|
350 ± 3
|
|
溫度補償范圍
|
℃
|
-10 ~ 40
|
|
允許使用溫度范圍
|
℃
|
-20 ~ 60
|
|
溫度對輸出靈敏度的影響
|
%Load/10℃
|
0.02
|
|
溫度對零點輸出的影響
|
%RO/10℃
|
0.02
|
|
安全過載范圍
|
%of rat.cap.
|
150
|
|
極限過載范圍
|
%of rat.cap.
|
200
|
|
密封
|
|
Complete hermetic sealing;cable entry sealed by metal header
|
|
防護等級
|
|
IP 66
|
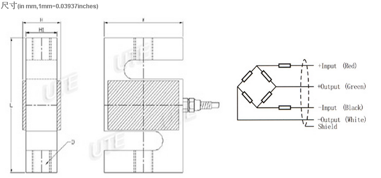
電纜線:四芯屏蔽電線;長度4m;直徑:¢6mm
|
UBS傳感器,臺灣UTE UBS稱重傳感器規格尺寸:

|
類型
|
L
|
W
|
H
|
H1
|
D
|
|
UBS-1T/2T/5T
|
107.9
|
76.2
|
40.4
|
36
|
M20X1.5P
|
|
UBS-10T/15T
|
175
|
125
|
59.4
|
55
|
1'/,12UNF
|
臺灣UTE UBS稱重傳感器型號描述:
拉壓力雙向S型結構UBS-1t稱重傳感器
拉壓力雙向S型結構UBS-2t稱重傳感器
拉壓力雙向S型結構UBS-5t稱重傳感器
拉壓力雙向S型結構UBS-10t稱重傳感器
拉壓力雙向S型結構UBS-15t稱重傳感器
|
|
|
|
|
|
|
|