【廣州★蘭瑟電子】全球供應德國TECSIS F3270稱重傳感器,Germany TECSIS F3270(LOADCELL)價格,德國TECSIS傳感器F3270廠家搶購熱線:020-22157170價格優惠,質量保證,全球網絡服務到位。
同樣的價格我們比質量,同樣的質量我們比服務;這就是作為德國TECSIS中國【優質★供應商】具有的優勢之一。
廠商:德國TECSIS
型號:F3270
國別:德國稱重傳感器
形狀:剪切梁式稱重傳感器
屬性:彎梁式測力傳感器
量程:0...91 kg 直至 0...2268 kg
注:具體尺寸和重量要求,可以根據客戶需求溝通定做,價格電議/面議
德國TECSIS F3270稱重傳感器產品特征
▲設計用于負載稱量
▲還用于拉力及壓式力測量
▲典型的剪切梁式設計
▲滿量程精度為 0.04%,可選 0.02%
▲量程從 91 kg 開始
▲通過盲孔或鉆孔施力
▲防護等級 IP 67
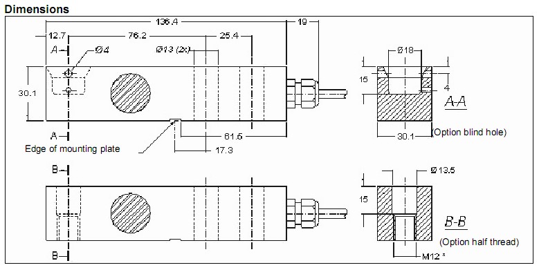
德國TECSIS F3270稱重傳感器安裝尺寸

德國TECSIS F3270稱重傳感器描述應用
在稱重技術領域,彎曲梁及剪切梁用于小型和中大型容器的測重。但也經常用于力值測量。
這款剪切梁式設計的典型測力傳感器具有高精度,滿量程精度為 0.04%(可選精度為 0.02%)。
型號 F3270 系列可用于測量靜態拉力及壓式力。其額定負載為 91 到 2268 kg。
這款價格合理的力傳感器可以應用在大量要求高精度的應用場合。
高精度可保證型號 F3270 系列用于稱重技術。這款力傳感器還可用于測量靜態拉力及壓式力。
彎梁式稱重傳感器通過線纜一側的兩個緊固鉆孔安裝。而在線纜的另一側,通過通孔或盲孔將力引入,垂直作用于測力傳感器的中軸線。另有一款半螺紋承載孔可供選擇。
該傳感器是由不銹鋼和改良陶瓷制成,適用于各種惡劣環境。當使用若干測力傳感器時,特殊的校準技術 (mV/V/Ω) 能消除費時的角度校準。
德國TECSIS F3270稱重傳感器100%百分百質量保證【選蘭瑟電子——就是選正品保障】,只要您購買了我們的產品,對購買的客戶保證質量第一、信譽永恒!
|