產品名稱:MTB-100,梅特勒托利多MTB-100稱重傳感器
產品品牌:梅特勒托利多傳感器,托利多稱重傳感器
物流運費:賣家承擔運費
付款方式:網銀支付
瑞士梅特勒托利多MTB-100傳感器基本特性:
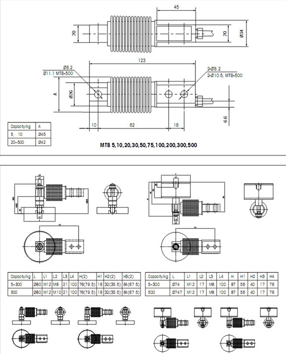
規格 - MTB不銹鋼激光焊接防爆密封傳感器
最大稱量值 5, 10, 20, 50, 100, 200, 500 kg
全密封焊接,防護等級IP68
MTB-100全不銹鋼材質
OIML C3 R60 3000d
NIST Class III 5000d
ATEX Zone 1/2, 21/22
FM Factory Mutual, Class I,II,II Div 1&2
MTB-100稱重傳感器裝備選項
Weigh module, load introduction kit, vibration kit, foot kit, base plate kit
危險區域(防爆)認證 ATEX, Factory Mutual
EN 13463-1 assessment for mounting options
應用 惡劣環境下的低量程稱量,小型平臺秤和罐體稱重
裝備選項:稱重模塊,負載傳入套件,避震套件,底部套件,底板試劑盒
MTB選型圖:

METTLER TOLEDO MTB-100傳感器特點與應用:
梅特勒托利多MTB-100t傳感器是剪切梁傳感器,適用于惡劣的工業環境。 常用于防爆區域,MTB傳感器熱銷型號:MTB-50,MTB-75,MTB-100,MTB-200,MTB-300,MTB-500;MTB-100傳感器用于惡劣環境下的低量程稱量,小型平臺秤和罐體稱重。
MTB傳感器所有型號:
MTB-5,梅特勒托利多MTB-5
MTB-10,梅特勒托利多MTB-10
MTB-20,梅特勒托利多MTB-20
MTB-30,梅特勒托利多MTB-30
MTB-50,梅特勒托利多MTB-50
MTB-75,梅特勒托利多MTB-75
MTB-100,梅特勒托利多MTB-100
MTB-200,梅特勒托利多MTB-200
MTB-300,梅特勒托利多MTB-300
MTB-500,梅特勒托利多MTB-500
注:MTB-5是梅特勒-托利多傳感器中容量為5KG。所以容量為5KG,那么型號就是MTB-5。以止類推得到MTB系列的所有型號。
【廣州蘭瑟電子】中國代理瑞士Mettler toledo MTB-100稱重傳感器廠家批發價格,為您提供MTB-100選型服務和稱重系統方案以及全方位測量技術支持;我司與瑞士托利多公司合作多年,提供完善的售前、售中、售后服務,保證您買得放心,用得安心。撥打全國統一服務熱線:020-22157170。
Mettler toledo波紋管傳感器:
MTB-5 MTB-10 MTB-20 MTB-50 MTB-75 MTB-100 MTB-200 MTB-300 MTB-500
除MTB-100,MTB-100稱重傳感器其它熱銷型號:
SB-0.5請點擊:托利多SB-0.5稱重傳感器
SBC-0.5請點擊:托利多SBC-0.5稱重傳感器
SBS-2請點擊:托利多SBS-2稱重傳感器
MTB-100請點擊:托利多MTB-100稱重傳感器
0745A-2.2請點擊:托利多0745A-2.2稱重傳感器
專業提供瑞士梅特勒托利多MTB-100傳感器的詳細信息,包括Mettler toledo MTB-100稱重傳感器圖片,MTB-100傳感器價格,MTB-100稱重傳感器參數,托利多MTB-100傳感器貨期;登錄【廣州蘭瑟電子科技有限公司】官網搜MTB-100查找相關資料。
|